项目推荐
项目介绍
样品要求
结果展示
常见问题
预约须知
1. 样品要求:块状样品:(1)需要制样的,直接磨抛(不镶样)的样品直径或长宽需大于20mm、厚度需大于10mm(小于该尺寸或不规则的样品,需要镶嵌;线切割的样品需注意样品导电性)(2)若样品不需要制样,注意测试面务必自行抛光好,并保护好待测面送样;(3)请务必标记好待测面,需要切割的样品需提供具体切割要求,可提供切割示意图;
2. 特别注意:一个样默认拍8张金相照片,如有关注的位置,请详细描述出来或提供参考图;晶粒尺寸统计或晶粒度评级请提供参考标准;若仅制样用于其他测试,测试项目请选择“仅制样,不拍金相”;若需要腐蚀,需提供腐蚀剂配方和腐蚀时间,如需定制腐蚀液并提供具体配方的价格另议;金相磨抛为机械磨抛;多个样品镶嵌在一块磨抛实际按多个样品收费;
3. 声明:本项目包含制样和拍金相,两者请尽量一同完成;因加工工艺等有差别,同一材质试样的组织形貌不尽相同,请尊重实验事实,试样本身不存在的组织形貌无法通过制样得到;因金相显微镜与其他表征手段也有差异,所以“仅制样”用于其他测试的试样会存在和预期制样效果有出入的风险,请提前知悉下,若继续预约下单,默认已考虑并承担该风险;
4. 如有其他疑问,请联系前期对接的技术顾问;
展开全部收起
项目介绍
主要用来观测金属材料的相、晶粒及某些晶体缺陷等;
样品要求
1、样品状态:块体;
2、尺寸要求:(1)需要制样的,直接磨抛(不镶样)的样品直径或长宽需大于20mm、厚度需大于10mm(小于该尺寸或不规则的样品,需要镶嵌;大于该尺寸且需要镶嵌的样品,需要切割后再制样;线切割的样品需注意样品导电性);
(2)若样品不需要制样,尺寸无严格限制,注意测试面务必自行抛光好,并保护好待测面送样;
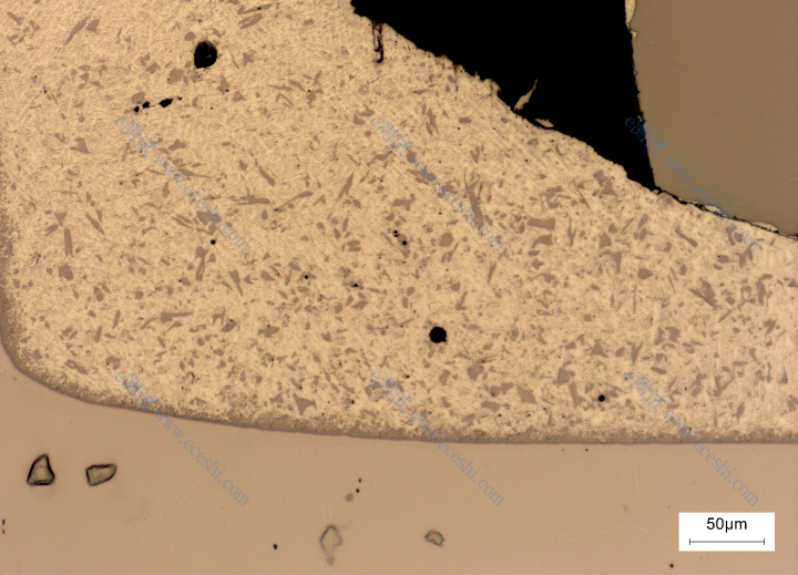
结果展示
金相形貌图:


常见问题
图片一部分清楚,一部分不清楚,请问是怎么回事?
光学显微镜的景深比较小,若样品不平,会出现上述现象;所以想得到比较完美的金相图片,样品的抛光质量是必须要保证的;
有时拍摄出来的晶界特别黑,图片暗沉,是什么原因?
图片较暗,有可能是光线太暗,需要增强光线;晶界特别黑,很可能是腐蚀过度的原因;
磨样+抛光流程?
(1)用砂纸从粗到细开始磨,每道砂纸磨样至少两个十字来回(一般1000号以上的,每一道砂纸4-5个来回:每个来回时,要求肉眼看不到垂直方向的磨痕);(2)磨好的样品上抛光机,在抛光布上喷适量抛光剂进行抛光,抛光也是按照十字方向进行;(3)抛光过程中,注意适量加水,防止摩擦过热,然后适时喷加抛光剂;(4)抛光完毕后,换新的抛光布进行水抛,目的是洗净抛光剂。
400-630-1090